مقررات ملی ساختمان مبحث پانزدهم آسانسورها و پلكان برقی
مبحث پانزدهم مقررات ملی ساختمان ایران با عنوان آسانسورها و پلکان برقی به طراحی، نصب، بهره برداری و نگهداری ایمن سیستم های حمل ونقل عمودی در ساختمان ها می پردازد. این مبحث شامل الزامات فنی، ایمنی، استانداردهای نصب، بازرسی دوره ای و الزامات اضطراری است. رعایت دقیق آن تضمین کننده عملکرد مطمئن، راحتی کاربران و ایمنی جانی در استفاده از آسانسورها و پله برقی هاست.
مبحث پانزدهم
15 - 1 کلیات
15 - 1 - 1 حدود و دامنه کاربرد
15 - 1 - 1 - 1
این مبحث کلیه ضوابط مربوط به انتخاب موقعيت، جانمایی، تعيين تعداد، نوع، طراحی، ضوابط تأمین پیش نیازهای نصب، اجرای محل نصب، چگونگی لحاظ نمودن نیروهای وارده، مشخصات فنی، حفاظت ها، ایمنی، نظارت عمومی بر نصب، آزمایش و تحویل انواع آسانسور، پله برقی و پیاده روی متحرک ذکر شده در بند 15 - 1 - 1 - 2 را شامل می شود.
15 - 1 - 1 - 2
انواع و کاربرد آسانسور، پله برقی و پیاده روی متحرک موضوع این مبحث عبارتند از:
الف- آسانسورهای کششی جهت حمل بار، مسافر، تخت بیمار یا برانکارد و اتومبیل.
ب- آسانسورهای هیدرولیکی جهت حمل بار، مسافر، تخت بیمار یا برانکارد و اتومبیل.
پ- آسانسورهای کششی و یا هیدرولیکی نما باز، پانوراما و مسافربر.
ت- انواع پله برقی با پله های فلزی با زاویه شیب تا 35 درجه.
ث- پیاده روهای متحرک با پله های فلزی یا تسمه ها.
15 - 1 - 1 - 3
دستگاه ها و بالابرهاي زير مشمول مقررات اين مبحث نميباشند و ضوابط مربوط به ساخت و به کارگيري اين دستگاهها بايد طبق استانداردهاي معتبر بين المللي صورت گيرد.
الف- بالابرهاي ساختماني نظير وينچ هاي بالابر، جرثقيل برجي (تاورکرين) و غيره.
ب- بالابرهايي که در خارج ساختمان ها کاربرد دارند، و کليه دستگاه هاي بالابر که به عنوان معبر دائمي ساختمان تلقي نميشوند، نظير بالابرهاي دنده شانه اي که هنگام اجراي ساختمان براي انتقال مصالح و غيره به کار گرفته مي شوند.
پ- بالابرهاي ضربدري يا قيچي (عموماً با کاربرد صنعتي).
ت- آسانسورهاي سرويس خاص (کتاب بر، غذا بر و ...).
ث- سکوهاي بالابر صندلي چرخ دار و معلول بر با حرکت قائم و يا مايل.
ج- پارکينگ هاي طبقاتي و بالابرهاي مکانيزه خودروبر که عملکردي شبيه به آسانسور دارند.
چ- نوار نقاله هاي باربر.
15 - 1 - 1 - 4
مقررات اين مبحث از تاريخ ابلاغ آن قابل اجرا و الزامي بوده و کليه طراحان، مهندسان، مجريان، مالکان و مراجع کنترل و بازرسي موظف به رعايت مقررات مربوطه و حداقل هاي مندرج در اين مبحث ميباشند.
15 - 1 - 1 - 5
رعايت اين مبحث براي کليه ساختمانهايي که فرآيند اخذ پروانه ساختمان آن ها تا تاريخ ابلاغ اين مقررات آغاز نشده است، الزامي ميباشد.
15 - 1 - 1 - 6
در صورت ايجاد هرگونه تغيير اساسي در ساختمان که منجر به توسعه سطح، افزايش تعداد طبقات، تغيير کاربري و يا تغيير محل آسانسورها گردد، لازم است در شرايط جديد محاسبات با در نظر گرفتن کليه مقررات اين مبحث تکرار گردد.
15 - 1 - 1 - 7
تغييرات اساسي در آسانسور که منجر به تغيير محل، ظرفيت و يا سرعت آسانسور گردد، بايد با رعايت مقررات اين مبحث انجام گيرد.
15 - 1 - 1 - 8
کليه اسناد، مدارک فني و نقشه هاي ساختماني، شامل جزييات کامل موقعيت، اطلاعات و مشخصات فني آسانسور، پله برقي يا پياده روي متحرک بايد در اختيار کارفرما يا بهره بردار (يا هر دو) قرار گيرد تا ضمن نگهداري از آنها براي تأييد مسئول امور ساختمان در شهرداري يا هر مقام قانوني ديگر ارائه گردد.
15 - 1 - 1 - 9
ايجاد هر گونه تغيير پس از تحويل آسانسور بايد در نقشه ها اعمال و مدارک نگهداري شده بر اساس آن به روز شوند.
15 - 1 - 1 - 10
در صورتي که ضوابط و مقررات مندرج در اين مبحث با ضوابط مندرج در ساير مباحث تفاوت داشته باشد، لازم است ضوابطي که محدوديت بيشتري در راستاي تامين ایمنی ايجاد نمايد، ملاک عمل قرار گيرد.
15 - 1 - 1 - 11
آسانسور، پله برقي يا پياده روي متحرک بايد داراي شناسنامه فني و اطلاعاتي بوده و فروشنده اين اطلاعات را به همراه تجهيزات، تحويل بهره بردار يا مراجع قانوني ديگر نمايد. با استناد به اين مدارک، بازرسي، تحویل گيري، و يا هرگونه اقدام قانوني بعدي صورت خواهد پذيرفت.
15 - 1 - 1 - 12
لوازم، تجهيزات و سيستم هاي ايمني کليه آسانسورها، پله برقي و پياده روهاي متحرک، بايد مطابق با استانداردهاي ملي مربوطه و يا استانداردهاي معتبر بين المللي باشند.
15 - 1 - 2 تعاريف
آسانسور: وسيله اي است متشکل از کابين، معمولاً وزنه تعادل و اجزاي ديگر که با روش هاي مختلف، مسافر، بار يا هر دو را در مسير بين طبقات ساختمان جابه جا مي کند.
آسانسور کششي: آسانسوري است که حرکت آن بر اثر ايجاد نيروي اصطکاک بين سيم بکسل و شيار فلکه کشش، به هنگام چرخش آن، توسط سيستم محركه به وجود مي آيد.
آسانسور هيدروليکي: در اين نوع آسانسور سيلندر و پيستون هيدروليکي عامل حرکت کابين بوده و ممکن است داراي وزنه تعادل نيز باشد.
بالاسري: فاصله قائم بين کف بالاترين محل توقف کابين تا زير سقف چاه آسانسور را بالاسري گويند.
پله برقي: وسيله اي است که در مسير حرکت افراد پياده جهت بالا يا پايين بردن آنها در دو طبقه غيرهم سطح به کار مي رود و به وسيله پله که توسط نيروي محركه برقي به حرکت درآورده مي شود سبب جابه جايي افراد مي گردد. اين وسيله در اماکن عمومي نظير فرودگاه ها، مترو، پايانه ها، ساختمان هاي تجاري، فروشگاه هاي بزرگ و... به کار مي رود.
پياده روي متحرک: پياده روي متحرک وسيله اي جهت انتقال افراد در سطوح هم تراز يا سطوح با اختلاف ارتفاع کم مي باشند، به انواعي از آن که با سطح افق زاويه دارد رمپ برقي نيز مي گويند.
پله: به قسمتي از پله برقي يا پياده روي متحرک گفته مي شود که افراد روي آن مي ايستند. معمولاً جنس آنها از آلومينيوم با سطح شياردار در جهت حرکت است.
تابلو کنترل آسانسور: مجموعه اي شامل مدارهاي فرمان و قدرت که وظيفه کنترل حرکت کابين و پاسخگويي به احضار را به عهده دارد.
تعميرکار: فرد يا افرادي مجاز و متخصص صاحب صلاحيت که وظيفه سرويس و يا تعمير آسانسور را به عهده دارند.
تراز طبقه شدن: منظور هم تراز شدن کف کابين با کف تمام شده طبقه در محل ورودي به آسانسور است.
چاه: فضايي است که ريل ها و برخي تجهيزات ديگر آسانسور در آن نصب مي شوند و کابين و وزنه تعادل در اين مکان حرکت مي نمايند.
چاهک: فاصله قائم بين کف پايين ترين محل توقف تا کف چاه آسانسور (به ابعاد چاه آسانسور) را چاهک مي گويند.
درهاي طبقات: درهايي هستند که در محل ورودي طبقات به کابين قرار مي گيرند.
درِ کابين: دري است که در ورودي کابين قرار دارد و معمولاً به طور خودکار باز و بسته مي شود.
دستگيره: دستگيره (در پله برقي يا پياده روي متحرک)، از جنس لاستيک با الياف مخصوص مي باشد که متحرک بوده و سرعت آن با سرعت حرکت پله يکسان است. افراد هنگام بالا رفتن يا پايين آمدن از آن استفاده مي کنند.
ريل هاي راهنما: اجزاي فلزي با مقطع T که براي هدايت کابين يا وزنه تعادل (در صورت وجود) به کار مي روند.
زنجير جبران (سيم بکسل جبران): در ساختمان هاي مرتفع وقتي که کابين در بالا و يا پايين ترين طبقه قرار مي گيرد مجموع وزن سيم بکسل ها که مقدار قابل ملاحظه اي است به يک سمت فلکه کششي منتقل مي شود. براي کنترل وزن متغير طناب، يک سيم بکسل يا زنجير، از تير پايين يوک کابين به تير پايين وزنه تعادل هم وزن سيم بکسل ها متصل مي شود تا اضافه وزن به وجود آمده توسط سيم بکسل ها را جبران نمايد و به آن طناب، سيم بکسل يا زنجير جبران مي گويند.
زاويه شيب: حداکثر زاويه اي است که پله يا تسمه نسبت به سطح افق مي سازد.
سرعت اسمي پله برقي (پياده روي متحرک): سرعت خطي در جهت حرکت پله يا تسمه در هنگامي که باري روي آنها وجود ندارد.
سيستم اضافه بار: در برخي آسانسورها براي جلوگيري از اضافه بار حسگري را به شيوه هاي مختلف تعبيه مي کنند تا هنگام سوار شدن مسافر يا گذاشتن بار، بيش از ظرفيت پيش بيني شده در کابين، ضمن اعلام خبر تا تخليه بار اضافي از حرکت آسانسور جلوگيري شود.
سيستم ترمز ايمني (سيستم پاراشوت): سيستم مکانيکي که ترجيحاً در قسمت زيرين يا بالاي چهارچوب (يوک) کابين و وزنه تعادل (در صورت لزوم) قرار مي گيرد و در مواقع اضطراري با افزايش غيرعادي سرعت، فعال شده و سبب توقف کابين يا وزنه تعادل (به وسيله قفل شدن کابين يا وزنه تعادل به ريل ها) مي شود.
سرعت اسمي آسانسور: حداکثر سرعت کابين هنگام حرکت عادي را سرعت اسمي مي گويند.
سيستم هاي فراخواني آسانسور: نحوه پاسخ به احضار مسافران در آسانسور که با توجه به نوع کاربري ساختمان مي تواند متفاوت باشد. انتخاب صحيح اين سيستم اهميت زيادي دارد.
سطح مفيد کابين: سطحي است که براي ايستادن مسافر و يا گذاشتن بار به کار گرفته مي شود و مقدار آن متناسب با ظرفيت بار يا مسافر محاسبه مي شود (جداول 15 - 2 - 2 - 2 - 1 الف و ب).
شير اطمينان: شير هيدروليکي است که براي جلوگيري از سقوط يا افزايش ناگهاني سرعت کابين در آسانسورهاي هيدروليک به کار مي رود.
شانه ثابت: قطعه ثابتي در دو انتهاي پله مي باشد که داراي دندانه هاي متناسب با شيارهاي روي پله يا تسمه مي باشد و از ورود اشياي خارجي و پاي مسافران به داخل شيار پله جلوگيري مي کند.
ضربه گير (بافر): وسيله اي ارتجاعي است که براي جلوگيري از برخورد کنترل نشده کابين و يا وزنه تعادل به کف چاهک به کار مي رود. اين وسيله لازم است طوري طراحي و انتخاب گردد که قسمتي از انرژي جنبشي کابين را مستهليک کند. بايد توجه داشت که ضربه گير براي متوقف کردن کابين به هنگام سقوط آزاد آن، طراحي نشده است.
طبقه اصلي ورودي: طبقه اي است که ورود افراد پياده به ساختمان از آن طريق انجام مي شود و معمولاً هم تراز سطح خيابان است. چنانچه در ساختماني دسترسي هاي اصلي مختلفي به يک آسانسور وجود داشته باشد پايين ترين آنها طبقه اصلي محسوب مي شود.
طول مسير حرکت: ارتفاع بين کف پايين ترين طبقه توقف آسانسور تا کف بالاترين طبقه توقف آسانسور، طول مسير حرکت ناميده مي شود.
طبقه بندي ساختمان ها از نظر ميزان تردد جمعيت
دسته اول: ترافیک سبک بدون داشتن زمان اوج ترافیک شامل کاربری های صنعتی، انبار و مخاطره آمیز.
دسته دوم: ترافیک متوسط بدون داشتن زمان اوج ترافیک شامل کاربری های مسکونی، هتل، خوابگاه و اداری که دارای واحدهای جدا از هم هستند.
دسته سوم: ترافیک سنگین دارای زمان اوج ترافیک شامل کاربری های آموزشی - تربیتی، اداری - حرفه ای، کسبی - تجاری، تجمعی (سالن اجتماعات، سینما، تئاتر و ... ) و آن دسته از کاربری های درمانی - مراقبتی که دارای تردد های زیاد هستند (مانند بیمارستان ها).
دسته چهارم: ترافیک خاص شامل کاربری درمانی - مراقبتی (مانند درمانگاه ها، کلینیک ها، بازداشتگاه ها و ... ).
کابين: جزئي از آسانسور است که مسافر، بار يا هر دو را در خود جاي مي دهد. کابين داراي کف براي ايستادن، ديواره هايي براي حفاظت مسافران يا بار، سقف و در مي باشد.
کابين دو در: کابيني است که داراي دو در مي باشد. در صورتي که اين دو در در دو ضلع رو به رو به يکديگر باشند کابين دو درِ رو به رو و در صورتي که در دو ضلع مجاور باشند کابين دو درِ مجاور ناميده مي شود.
کليد آتش نشان: کليدي است که در مواقع ضروري از جمله تخليه افراد مسن، معلول و غيره. توسط آتش نشان فعال شده و کنترل آسانسور فقط توسط آن (راهبر داخل کابين) صورت مي گيرد.
کنترل کننده مکانيکي سرعت (گاورنر): وسيله اي مکانيکي است که از طريق سيم بکسل يا زنجير به سيستم ترمز ايمني (پاراشوت) کابين يا وزنه تعادل (در صورت وجود) متصل بوده تا در موقع افزايش سرعت بيش از حد کابين قفل شده و ضمن فرمان قطع برق موتور آسانسور، سيستم ترمز ايمني را فعال نمايد.
موتورخانه: فضايي است که موتور گيربکس يا سيستم محركه آسانسور، تابلو کنترل و غيره را در خود جاي مي دهد.
نگهدارنده ريل ها: رابطي است که ريل ها را به سازه و ديواره چاه آسانسور متصل مي کند و براي اتصال آن، از بست مخصوص و پيچ و مهره استفاده مي شود.
وزنه تعادل: وزنه يا ترکيبي از وزنه ها است که براي متعادل کردن وزن کابين و بخشي از ظرفيت آسانسور به کار مي رود.
يوک کابين: قاب نگهدارنده اي است که کف کابين، ترمزهاي ايمني، کفشک ها و سيم بکسل ها به آن متصل مي شوند.
15 - 2 آسانسورها
15 - 2 - 1 الزامات اوليه انتخاب آسانسور
15 - 2 - 1 - 1
طراح (معمار طراح) بايد تعداد، ظرفيت و نوع (مسافربر، باربر و...) آسانسورهاي ساختمان را در مراحل اوليه طراحي، تعيين و آنها را بر اساس اطلاعات به دست آمده و مقررات اين مبحث جانمايي کند. پيش بيني تمهيدات لازم متناسب با شرايط اقليمي به عهده طراح مي باشد.
15 - 2 - 1 - 2
در ساختمان هاي با طول مسير قائم حرکت بيش از 7 متر از کف ورودي اصلي (معمولاً بيش از سه طبقه)، تعبيه آسانسور الزامي مي باشد (شکل 1 پيوست 3).
تبصره: در ساختمان هاي غيرمسکوني طول مسير قائم حرکت از کف پايين ترين طبقه تا کف بالاترين طبقه محاسبه مي شود (شکل 2 پيوست 3).
15 - 2 - 1 - 3
در ساختمان هاي 8 طبقه يا ساختمان هاي با طول مسير حرکت 28 متر و بيشتر از کف ورودي اصلي، بايد حداقل دو دستگاه آسانسور پيش بيني گردد، حتي اگر از نظر محاسبات تعداد و ظرفيت، يک دستگاه آسانسور کفايت نمايد.
15 - 2 - 1 - 4
در کليه ساختمان هاي با طول مسير حرکت بيش از 21 متر از کف ورودي اصلي، لازم است حداقل يک دستگاه آسانسور مناسب حمل بيمار (برانکاردبر) تعبيه شود. اين آسانسور بايد با يک علامت مخصوص قابل رؤيت مشخص شده و به کليه طبقات سرويس دهد.
15 - 2 - 1 - 5
در ساختمان هايي که وجود آسانسور الزامي مي باشد، بايد حداقل يکي از آسانسورها قابليت حمل صندلي چرخ دار را دارا باشد.
15 - 2 - 1 - 6
در ساختمان بيمارستان هاي بيش از يک طبقه، وجود حداقل يک دستگاه آسانسور تخت بر اجباري است. در صورتي که سطح شيبدار مناسب وجود داشته باشد اين الزام وجود ندارد.
15 - 2 - 1 - 7
در ساختمان هاي دسته چهارم و مکان هاي نگهداري سالمندان و معلولان بيش از يک طبقه، تعبيه حداقل يک دستگاه آسانسور برانکاردبر الزامي است، مگر اينکه سطح شيبدار مناسبي وجود داشته باشد.
15 - 2 - 1 - 8
در ساختمان هاي دسته سوم که مشمول مقررات بند (15 - 2 - 1 - 2) نمي باشند، وجود حداقل يک دستگاه آسانسور با قابليت حمل صندلي چرخ دار الزامي است. در صورتي که سطح شيبدار مناسب براي تردد صندلي چرخ دار در کليه طبقات وجود داشته باشد، اين الزام وجود ندارد.
15 - 2 - 1 - 9
آسانسورهايي که قابليت حمل صندلي چرخ دار را دارند بايد داراي الزامات زير باشند:
- حداقل ابعاد کابين 1400 × 1100 ميليمتر باشد؛
- حداقل عرض بازشو درِ کابين، 800 ميليمتر باشد؛
- مجهز به سيستم تراز طبقه مجدد باشد؛ و
- مجهز به دکمه باز ماندن درِ کابين براي مدت طولاني تر از زمان عادي بسته شدن در باشد.
15 - 2 - 1 - 10
آسانسورهايي که قابليت حمل بيمار (برانکاردبر) را دارند بايد داراي الزامات زير باشند:
- حداقل ابعاد کابين 2100 × 1100 ميليمتر باشد؛
- حداقل عرض بازشو درِ کابين 900 ميليمتر باشد؛
- مجهز به سيستم تراز طبقه مجدد باشد؛ و
- مجهز به دکمه باز ماندن درِ کابين براي مدت طولاني تر از زمان عادي بسته شدن در باشد.
15 - 2 - 1 - 11
آسانسورهايي که قابليت حمل تخت بيمار (تخت بر) را دارند بايد داراي الزامات زير باشند:
- حداقل ابعاد کابين 2400 × 1400 ميليمتر باشد؛
- حداقل عرض و حداقل ارتفاع بازشو درِ کابين به ترتيب 1300 و 2100 ميليمتر باشد؛
- مجهز به سيستم کنترل سرعت ولتاژ و فرکانس متغير باشد؛
- مجهز به سيستم تراز طبقه مجدد باشد؛
- مجهز به دکمه باز ماندن درِ کابين براي مدت طولاني تر از زمان عادي بسته شدن در باشد؛
- مجهز به کليد مخصوصي باشد که آسانسور را در اختيار کاربران آموزش ديده قرار دهد؛ و
- مجهز به سيستم برق اضطراري باشد به گونه اي که هنگام قطع برق، آسانسور را به نزديک ترين طبقه هدايت نمايد.
15 - 2 - 1 - 12
در محاسبات ترافيک، علاوه بر کميت، کيفيت سرويس نيز بايد مد نظر قرار گيرد، به نحوي که حرکت آسانسور از طبقه ورودي اصلي به طور متوسط در هر 100 ثانيه، يک بار صورت گيرد.
15 - 2 - 2 طراحي و آماده سازي محل آسانسور و اجزاء آن
15 - 2 - 2 - 1 جانمايي آسانسور
طراح بايد محل صحيح قرارگيري آسانسور در ساختمان را با توجه به معيارهاي سهولت دسترسي، سهولت رفت و آمد مسافران و هدايت آنها به سمت آسانسور تعيين نمايد، به گونه اي که آسانسور در مرکز (مراکز) حرکتي و ترافيکي ساختمان قرار گرفته و بتوان با کمترين حرکت و جابه جايي مسافر يا بار، از نقاط مختلف ساختمان به آنها دسترسي پيدا کرد.
15 - 2 - 2 - 1 - 1
حداکثر مسافت از درِ ورودي ساختمان يا آپارتمان ها تا درِ آسانسور در هر طبقه 40 متر مي باشد.
15 - 2 - 2 - 1 - 2
آسانسورها بايد به نحوي جانمايي شوند که مسافت طي شده توسط مسافران براي سوار شدن به هر کابين، حداقل ممکن باشد.
15 - 2 - 2 - 1 - 3
در صورتي که تعداد آسانسور سه دستگاه يا کمتر باشد مي توان آنها را در يک چاه قرار داد. اگر تعداد آسانسور چهار دستگاه باشد بايد حداقل در دو چاه مجزا قرار گيرند و در صورتي که بيش از چهار دستگاه باشند حداکثر چهار دستگاه آسانسور مي توانند در يک چاه مشترک قرار گيرند.
15 - 2 - 2 - 1 - 4
ورود و خروج افراد از آسانسور به طبقات و بالعکس بايد به راحتي و بدون تداخل حرکتي صورت گيرد و فضاي کافي جهت انتظار، در وروديها و خروجي ها در نظر گرفته شود. راهروهاي مقابل آسانسورها بايد طبق ابعاد مندرج در جدول (15 - 2 - 2 - 1 - 4) طراحي گردد.
| نوع ساختمان | جانمايي آسانسور | عمق (عرض يا طول هم راستاي عمق کابين) راهرو مقابل وروديهاي کابين |
|---|---|---|
| مسکوني | تکي | برابر يا بزرگتر از عمق کابين |
| مسکوني | گروهي در کنار هم | برابر يا بزرگتر از 1/5 متر يا بزرگترين عمق کابين در گروه (هر کدام که بزرگتر باشند) |
| مسکوني | گروهي رو به رو هم | برابر يا بزرگتر از 2/1 متر يا مجموع بزرگترين عمق آسانسورهاي رو به رو هم (هر کدام که بزرگتر باشند) |
| غيرمسکوني به استثناي آسانسور تخت بر | تکي | برابر يا بزرگتر از 1/5 برابر عمق کابين |
| غيرمسکوني به استثناي آسانسور تخت بر | گروهي در کنار هم | برابر يا بزرگتر از 2/4 متر يا 1/5 برابر بزرگترين عمق کابين در گروه (هر کدام که بزرگتر باشند) |
| غيرمسکوني به استثناي آسانسور تخت بر | گروهي رو به رو هم | برابر يا بزرگتر از مجموع بزرگترين عمق کابين هاي رو به رو هم، حداکثر 4/5 متر |
| غيرمسکوني بيمارستان و ... داراي آسانسور تخت بر | تکي | برابر يا بزرگتر از 1/5 برابر عمق کابين |
| غيرمسکوني بيمارستان و ... داراي آسانسور تخت بر | گروهي در کنار هم | برابر يا بزرگتر از 1/5 برابر عمق بزرگترين کابين در گروه |
| غيرمسکوني بيمارستان و ... داراي آسانسور تخت بر | گروهي رو به رو هم | برابر يا بزرگتر از مجموع بزرگترين عمق کابين هاي رو به رو هم |
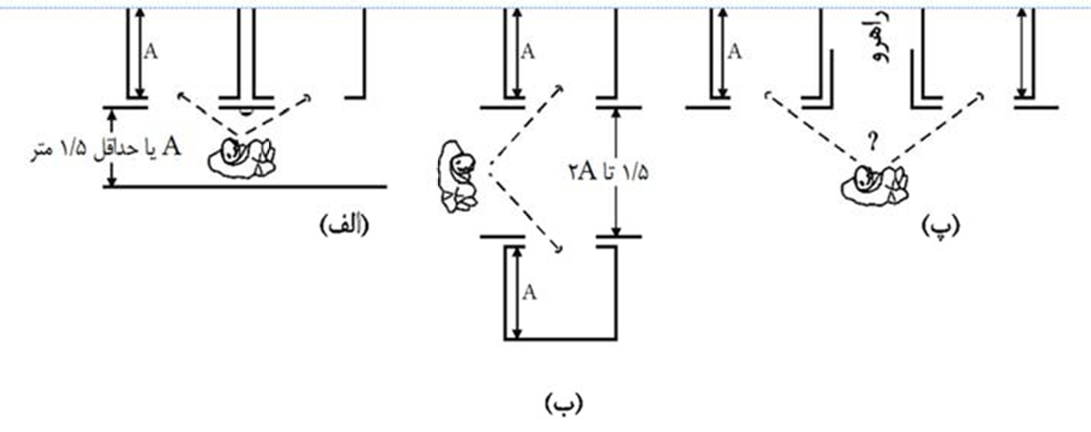
توجه: شکل هاي 15 - 2 - 2 - 1 - 4 (الف) و (ب) نمونه هايي جهت جانمايي آسانسورها و طراحي راهروهاي مقابل آنها را نشان مي دهد.

جانمايي دو آسانسور، الف و ب- انتخاب مناسب، پ- انتخاب نامناسب

جانمايي سه آسانسور، الف- انتخاب مناسب، ب - انتخاب قابل قبول


جانمايي شش آسانسور، الف- انتخاب غيرقابل قبول، ب - انتخاب مناسب، پ- انتخاب قابل قبول
15 - 2 - 2 - 1 - 5
در هتل ها، بيمارستان ها و ساختمان هاي مسکوني لازم است براي جلوگيري از انتقال سر و صداي ناشي از عملکرد و حرکت آسانسور تمهيدات لازم پيش بيني گردد و چاه آسانسور از اتاق هاي بستري يا خواب دور باشد.
15 - 2 - 2 - 2 چاه آسانسور
15 - 2 - 2 - 2 - 1
ابعاد چاه آسانسور بايد متناسب با ظرفيت کابين، نوعِ در و سرعت آسانسور طراحي شود (پيوست 2).
تبصره: در صورتي که ديواره هاي اطراف چاه آسانسور بتني باشد طراح بايد صفحات آهني يا پروفي هاي فلزي مخصوص جهت نصب اجزاي آسانسور را در محل هاي مورد نياز پيش بيني نمايد. در صورتي که سازه اطراف چاه آسانسور فلزي باشد، لازم است پيش بيني هاي لازم جهت اتصال اجزاي آسانسور به سازه ساختمان به عمل آيد. استفاده از بولت هاي مخصوص بتن يا بولت هاي مخصوص ديوارهاي آجري که قابليت تحمل نيروهاي وارده بر اجزاي مرتبط را دارند مجاز مي باشد. در شرايطي که اين اجزا داراي عملکرد کششي باشند، استفاده از صفحات آهني که به وسيله تفنگ هاي چاشني دار در بتن کار گذاشته مي شوند مجاز نيست.
15 - 2 - 2 - 2 - 2
براي جلوگيري از اضافه بار (بار بيش از ظرفيت آسانسور)، مساحت کابين بايد محدود گردد. بدين منظور ضمن توجه به ابعاد ارائه شده براي چاه آسانسور (پيوست 2)، توجه به حداکثر و حداقل مساحت مجاز داخل کابين، ارائه شده در جدول هاي 15 - 2 - 2 - 2 - 1 - الف و ب الزامي است.
تبصره: در آسانسورهاي خودروبر غيرتجاري که بهره برداري از آنها توسط اشخاص مجاز و آموزش ديده انجام مي شود، به ازاي هر 200 کيلوگرم بار اضافي بايد حدود 0/18 مترمربع به سطح کابين اضافه شود.
| ظرفيت - جرم (کيلوگرم) | حداکثر مساحت مفيد کابين (مترمربع) |
|---|---|
| (1) 100 | 0/37 |
| (2) 180 | 0/58 |
| 225 | 0/70 |
| 300 | 0/90 |
| 375 | 1/10 |
| 400 | 1/17 |
| 450 | 1/30 |
| 525 | 1/45 |
| 600 | 1/60 |
| 630 | 1/66 |
| 675 | 1/75 |
| 750 | 1/90 |
| 800 | 2/00 |
| 825 | 2/05 |
| 900 | 2/20 |
| 975 | 2/35 |
| 1000 | 2/40 |
| 1050 | 2/50 |
| 1125 | 2/65 |
| 1200 | 2/80 |
| 1250 | 2/90 |
| 1275 | 2/95 |
| 1350 | 3/10 |
| 1425 | 3/25 |
| 1500 | 3/40 |
| 1600 | 3/56 |
| 2000 | 4/20 |
| 2500 | 5/00 |
1 - حداقل براي آسانسور يک نفره
2 - حداقل براي آسانسور دو نفره
- براي ظرفيت بيش از 2500 کيلوگرم به ازاي هر 100 کيلوگرم 0/16 مترمربع به حداکثر مساحت آسانسورها قابل دسترسي کابين اضافه شود. براي وزن هاي مابين مقادير فوق، مساحت از طريق ميانيابي خطي محاسبه شود.
| تعداد مسافران آسانسور (نفر) | حداقل مساحت قابل دسترسي کابين (مترمربع) |
|---|---|
| 1 | 0/28 |
| 2 | 0/49 |
| 3 | 0/60 |
| 4 | 0/79 |
| 5 | 0/98 |
| 6 | 1/17 |
| 7 | 1/31 |
| 8 | 1/45 |
| 9 | 1/59 |
| 10 | 1/73 |
| 11 | 1/87 |
| 12 | 2/01 |
| 13 | 2/15 |
| 14 | 2/29 |
| 15 | 2/43 |
| 16 | 2/57 |
| 17 | 2/71 |
| 18 | 2/85 |
| 19 | 2/99 |
| 20 | 3/13 |
* براي ظرفيت بيش از 20 نفر به ازاي هر نفر 0/115 مترمربع به مساحت کابين اضافه مي شود.
15 - 2 - 2 - 3 ديواره ها و سقف چاه آسانسور
15 - 2 - 2 - 3 - 1
ديواره ها و تيغه هاي پوشاننده چاه آسانسور بايد از مصالح مقاوم در برابر آتش (با قابليت تحمل بيشتر از يک ساعت) ساخته شوند، که در اثر حرارت، گاز و دود مسموم کننده يا خطرناک از آنها متصاعد نشده و باعث ايجاد گرد و غبار نشوند. در صورتي که ديواره هاي چاه آسانسور از شيشه ساخته شوند مقاومت در برابر حريق ملاک نمي باشد وليکن بايد اين شيشه ها از نوع لمينيت شده با ارتفاع متناسب با اندازه هاي مشخص شده در استانداردهاي ملي آسانسور مطابق باشد.
15 - 2 - 2 - 3 - 2
از آنجا که بارهاي استاتيکي و ديناميکي قطعات ثابت و تجهيزات متعلق به آسانسور، به علاوه ظرفيت آن بر سقف چاه آسانسور وارد مي شود، کليه نيروهاي وارده به اين سقف، بايد محاسبه شده و در طراحي سازه و سقف چاه لحاظ گردد.
15 - 2 - 2 - 3 - 3
در کابين هاي داراي در، سطح داخلي ديوارهاي چاه آسانسور در سمت وروديهاي کابين بايد صاف و بدون برجستگي و يا فرورفتگي باشد. در صورت وجود اين برجستگي مطابق شکل 15 - 2 - 2 - 3 - 3 بايد با زاويه 60 درجه نسبت به سطح افق پوشانده شود.
15 - 2 - 2 - 3 - 4
سطح داخلي ديواره هاي چاه آسانسور بايد با مصالح مناسب به گونه اي پوشانده شوند که کمترين خلل و فرج را دارا باشد (مانند سيمان کاري ليس هاي).
15 - 2 - 2 - 3 - 5
چاه بايد منحصراً براي آسانسور باشد. نصب و عبور هرگونه لوله، کابل، سيم و تجهيزات ديگر، به استثناي سيم کشي و لوله کشي برق مربوط به سيستم روشنايي چاه، کابل هاي برق تغذيه و سيستم کنترل مخصوص آسانسور در داخل چاه آسانسور، ممنوع است.
15 - 2 - 2 - 3 - 6
روشنايي چاه آسانسور بايد به نحو مطلوب تأمين گردد. بدين ترتيب لازم است دو عدد چراغ در فاصله 0/5 متر از بالاترين و پايين ترين نقطه چاه و مابقي چراغ ها با فواصل حداکثر 7 متر با حفاظ و با قابليت روشن و خاموش شدن از محل موتورخانه نصب شوند.
15 - 2 - 2 - 3 - 7
مدار تغذيه سيستم روشنايي موتورخانه، روشنايي چاه و پريزهاي برق بايد طوري در نظر گرفته شود که در صورت قطع مدار تغذيه آسانسور به منظور تعميرات احتمالي و موارد ديگر، مدار تغذيه آنها برقرار بماند.
15 - 2 - 2 - 3 - 8
وزنه تعادل و کابين بايد در يک چاه باشند.
15 - 2 - 2 - 4 تأثيرات آسانسور بر سازه ساختمان
مقررات اين بخش براي طراحي سازه اي قطعات مرتبط با آسانسور در ساختمان ها که شامل قطعات و اتصالات واقع در چاه، چاهک و اتاقک موتورخانه مي باشند، به کار برده مي شود. ضوابط طراحي سازه اي اسکلت کابين آسانسور و وزنه تعادل که براساس استانداردهاي مربوطه توسط سازنده آسانسور لازم الاجرا است شامل اين مقررات نمي باشد.
مسئوليت احراز مقاومت مکانيکي بارهاي وارده بر ديواره چاه، سقف و کف آن و همچنين تأييد استحکام جوش در صورت فلزي بودن سازه، مطابق با ضوابط تعيين شده در مبحث دوم مقررات ملي ساختمان مي باشد.
15 - 2 - 2 - 4 - 1
کليه قطعات و اتصالات سازه هاي مرتبط با آسانسور بايد به گونه اي طراحي و اجرا شوند که بارهاي اعمال شده توسط وزن سيستم متحرکه، قسمت هاي متحرک آسانسور، نيروهاي وارده از ريل ها هنگام عملکرد ترمز ايمني، نيروهاي وارده به ضربه گيرها، اثرات ضربه اي بارها، اثرات زلزله و ساير بارها را تحمل نمايند. براي مجموع وزن ماشين آلات و قسمت هاي متحرک آسانسور، اثرات ضربه اي بارها و اثرات زلزله محاسبه شوند. تکيه گاه ها و اتصالات قطعات آسانسور به ساختمان بايد براي نيروهاي فوق محاسبه شده و تغييرشکل آنها از حدود معيني که توسط آئين نامه هاي معتبر براي آسانسورهاي مختلف تعيين شده است بيشتر نشود.
15 - 2 - 2 - 4 - 2
براي منظور نمودن اثرات ضربه اي بارها. در اثر حرکت آسانسورها در همه جهات، کليه نيروهاي طراحي بايد بر اساس ضريب ضربه ارائه شده در مبحث ششم مقررات ملي ساختمان افزايش داده شود.
15 - 2 - 2 - 4 - 3
نيروهاي استاتيکي معادل زلزله بر هر قطعه بايد با توجه به عوامل مؤثر بر رفتار سازه و قطعه در برابر زلزله با توجه به ضوابط مبحث ششم "بارهاي وارد بر ساختمان" محاسبه شود و در تمام جهات افقي و قائم با ساير نيروهاي وارد بر قطعه و سازه ترکيب گردد. همچنين در ساختمان هاي مشمول دسته هاي سوم و چهارم تعبيه حسگرهاي زلزله الزامي است.
15 - 2 - 2 - 4 - 4
هنگام عملکرد اضطراري ترمز ايمني، مجموع وزن کابين خالي به علاوه 1/25 برابر ظرفيت با سرعتي حداقل 1/15 برابر سرعت اسمي و شتاب منفي متناسب با نوع ترمز ايمني بر روي ريل هاي راهنما متوقف مي گردد. هرچند که عمده نيرو به ريل هاي راهنما وارد مي شود ولي به دليل اتصال آنها به سازه و وجود نيروهاي جانبي، سازه آسانسور نيز بايد قدرت تحمل اين نيروها را داشته باشد، لذا تأثير اين نيروها بايد در محاسبات سازه منظور گردد.
15 - 2 - 2 - 4 - 5
در نظر گرفتن نيروهاي استاتيکي و ديناميکي ناشي از وزن، حرکت آسانسور و ارتعاش موتور آسانسور در محاسبه و طراحي سازه ساختمان الزامي است.
15 - 2 - 2 - 4 - 6
لحاظ نمودن اثرات ناشي از ضربات وارده از حرکت و ترمز آسانسور و نيز برخورد آن با کف چاهک در محاسبه و طراحي سازه ساختمان و سازه نگهدارنده آسانسور الزامي است.
15 - 2 - 2 - 4 - 7
سازه نگهدارنده آسانسور بايد براي مقاومت در برابر زلزله هاي با ريسک بالاتر و يا حداقل معادل درجه خطر زلزله ساختمان اصلي محاسبه و طراحي شود.
15 - 2 - 2 - 5 موتورخانه
15 - 2 - 2 - 5 - 1
بهترين محل جانمايي موتورخانه (در صورت وجود) در بالاي چاه آسانسور است، هرچند که ممکن است به دليل پاره اي محدوديت ها، موتورخانه در پايين يا کنار چاه آسانسور باشد. فضاي موتورخانه بايد به اندازه اي باشد که امکان جاي دادن تجهيزات، فضاي مناسب جهت تردد ايمن افراد مجاز و تعميرات احتمالي را دارا باشد.
15 - 2 - 2 - 5 - 2
ابعاد موتورخانه (در صورت وجود) بايد طبق نقشه ها و جدول هاي پيوست 2 طراحي و اجرا گردد. در صورت عدم امکان لحاظ هريك از اين ابعاد در طراحي موتورخانه، موارد زير بايد رعايت شود:
- الف) حداقل فضاي باز در جلو تابلوهاي کنترل آسانسور 700 ميليمتر باشد؛
- ب) حداقل معبر براي عبور از کنار تجهيزات ثابت 400 ميليمتر باشد؛
- پ) حداقل معبر براي عبور از کنار تجهيزات در حال چرخش 500 ميليمتر باشد؛
- ت) حداقل ارتفاع موتورخانه در نواحي تردد و دسترسي 2000 ميليمتر باشد؛
- ث) حداقل ارتفاع از روي قطعات در حال چرخش تا زير سقف موتورخانه 300 ميليمتر باشد؛
- ج) در صورتي که اختلاف ارتفاع بين سطوح داخل موتورخانه بيش از 500 ميليمتر باشد سطح بالاتر بايد با نرده محصور شود و براي دسترسي به آن نرده باني تعبيه شود.
- چ) سطح کاري معادل حداقل 500 × 600 ميليمتر اطراف تجهيزات چرخنده (کنترل کننده مکانيکي سرعت فلکه ها و ...) تعبيه شود.
15 - 2 - 2 - 5 - 3
در صورتي که موتورخانه (در صورت وجود) براي بيش از يک آسانسور استفاده شود حداقل ابعاد موتورخانه مشترک از جدول (15 - 2 - 2 - 5 - 3) محاسبه گردد.
| پارامتر | موقعيت آسانسورها | موقعيت آسانسورها |
|---|---|---|
| مساحت کف | مجاور يکديگر | مقابل يکديگر |
| Ra + 0/9 Ra (N - 1) | Ra + 0/9 Ra (N - 1) | |
| عرض | b4 + (N - 1)(b3 + 200) | b4 + (N - 1)(2b3 + 200) |
| عمق | d4 | فاصله بين دو چاه روبرو + 2d2 |
= Ra مساحت موتورخانه - پيوست 2
b4 = عرض موتورخانه - پيوست 2
b3 = عرض چاه - پيوست 2
d4 = عمق موتورخانه - پيوست 2
d2 = عمق چاه - پيوست 2
N = تعداد آسانسور - در صورت فرد بودن به عدد زوج بالاتر گرد شود.
15 - 2 - 2 - 5 - 4
بازشوي درِ موتورخانه (در صورت وجود) بايد داراي حداقل 900 ميليمتر عرض و 2000 ميليمتر ارتفاع باشد. بازشوي در بايد به سمت بيرون، داراي قفل و کليد مطمئن بوده و در اختيار افراد صاحب صلاحيت قرار گيرد. قفل درِ موتورخانه بايد به گونه اي باشد که از داخل بدون کليد و از بيرون با کليد باز شود.
راه عمومي براي ورود به موتورخانه و محل فلکه ها بايد:
- الف) داراي وسيله روشنايي دائمي مناسبي باشد که امکان روشن نمودن آن قبل از ورود فراهم باشد.
- ب) تردد از آن تحت هر شرايطي با ايمني کافي و بدون نياز به ورود به محوطه هاي خصوصي فراهم باشد.
راه هاي دسترسي به موتورخانه و ورودي ها بايد حداقل 2000 ميليمتر ارتفاع داشته باشند. به جز در مورد درِ موتورخانه در صورت وجود مانعي با ارتفاع کمتر از 400 ميليمتر اين اندازه گيري از کف به عمل مي آيد.
15 - 2 - 2 - 5 - 5
در صورتي که نتوان از پله هاي معمول دائمي براي دسترسي به موتورخانه استفاده نمود، بايد نرده باني اختصاصي ايمن و غيرلغزنده دائمي براي دسترسي به موتورخانه تعبيه گردد. استفاده از نرده بان تحت شرايط زير امکان پذير مي باشد:
- الف) خطر لغزش و واژگوني نداشته باشد؛
- ب) هنگام قرارگيري در محل، زاويه اي بين 70 و 76 درجه با افق داشته باشند، مگر اينکه به صورت ثابت بوده و ارتفاعشان از 1/5 متر کمتر نباشد؛
- پ) بايد منحصراً به منظور چنين استفاده اي بوده و همواره در مجاورت محل دسترسي نگهداري شوند، پيش بيني هاي لازم به اين منظور ضروري مي باشد؛
- ت) نزديک به انتهاي نرده بان بايد يک يا چند دستگيره که به سهولت قابل دسترسي باشند، قرار گيرد؛
- ث) بايد قبل از گذاشتن نرده بان، نقاط اتصال پيش بيني شده باشد.
15 - 2 - 2 - 5 - 6
براي جلوگيري از سقوط اجسام خارجي به داخل چاه بايد لبه هايي به ارتفاع 50 ميليمتر در اطراف کليه سوراخ هاي باز کف موتورخانه ايجاد شود.
15 - 2 - 2 - 5 - 7
به منظور جابه جايي تجهيزات، بايد مونوريل دائمي در سقف موتورخانه پيش بيني شود، در غير اين صورت بايد قلابي در مرکز چاه آسانسور و يا بالاي سيستم محركه آسانسور و در زير سقف موتورخانه نصب گردد. به طوري که بارهاي وارده مطابق جدول (15 - 2 - 2 - 5 - 7) را تحمل نمايد.
| ظرفيت آسانسور (کيلوگرم) | حداکثر بار استاتيکي وارده به قلاب (کيلوگرم) |
|---|---|
| تا 1000 | 1500 |
| 2500 | 2000 |
| بيش از 2500 | با مشورت شرکت سازنده و طراح آسانسور |
15 - 2 - 2 - 5 - 8
روشنايي داخل موتورخانه بايد به ميزان حداقل 200 لوکس در کف و اطراف کليه نواحي تردد و دسترسي تأمين گردد. همچنين بايد حداقل يک پريز در موتورخانه نصب گردد. منبع تغذيه اين روشنايي و پريز بايستي مطابق با بند 15 - 2 - 2 - 3 - 7 باشد.
15 - 2 - 2 - 5 - 9
دمای فضاي داخل موتورخانه حتي در زمان کارکرد آسانسور بايد بين 5+ تا 40+ درجه سانتي گراد باشد. بدين منظور بايستي موتورخانه به شکل مناسبي تهويه شود. چنانچه تهويه چاه از طريق موتورخانه (در صورت وجود) انجام گيرد لازم است اين امر در محاسبات منظور گردد.
15 - 2 - 2 - 5 - 10
مهندسان محاسب بايد نقشه سازه، جانمايي و مجموع نيروهاي وارده به کف موتورخانه و تجهيزات نصب شده را محاسبه يا از شرکت هاي معتبر آسانسور اخذ نمايند و با در نظر گرفتن ضرايب ايمني لازم محاسبات را کنترل نموده ضمن بررسي هرگونه ضعف در اثر سوراخ ها و شکاف ها، از استحکام سازه اطمينان يابند.
15 - 2 - 2 - 5 - 11
در صورتي که سرعت آسانسور بيش از 2/5 متر بر ثانيه باشد موتورخانه بايد در بالاي چاه آسانسور باشد.
15 - 2 - 2 - 5 - 12
در صورتي که سيستم محركه آسانسور و تجهيزات مربوطه در موتورخانه قرار گيرند، لازم است از اين فضا فقط براي استقرار تجهيزات آسانسور استفاده شود.
تجهيزات زير مي تواند در موتورخانه وجود داشته باشد:
- الف- سيستم محركه آسانسورهاي خدماتي و پله برقي؛
- ب- تجهيزات تهويه مطبوع يا حرارتي مربوط به اين فضاها، به جز سيستم هاي گرمايش با بخار و تأسيسات گرمايش آب با فشار بالا؛
- پ- حسگرهاي آتش يا سيستم اطفاي حريق، با دماي عملکرد بالا، مناسب براي تجهيزات برقي، پايدار در دوره زماني معين و محافظت شده به طور مناسب در برابر ضربات اتفاقي.
15 - 2 - 2 - 5 - 13
کف موتورخانه بايد از مصالح غير لغزنده مانند بتن ماله کشي شده يا ورق آجدار ساخته شده باشد.
15 - 2 - 2 - 6 چاهک
15 - 2 - 2 - 6 - 1
ارتفاع چاهک طبق نقشه ها و جدول هاي پيوست 2 بايد طراحي و اجرا شود. هنگام طراحي ستون ها و فونداسيون اطراف چاهک دقت شود که ابعاد چاهک بايد دقيقاً هم اندازه چاه باشد و فونداسيون پايه ستون هاي اطراف چاه آسانسور پايين تر از عمق مورد نياز چاهک طراحي و اجرا شوند.
15 - 2 - 2 - 6 - 2
در صورتي که امکان هرگونه دسترسي به زير چاه آسانسور وجود داشته باشد؛ يعني زير چاهک آسانسور خالي باشد (چاه معلق)، لازم است سازه کف چاهک به گونه اي تقويت گردد که کف آن حداقل داراي مقاومت مکانيکي 5000 نيوتن بر متر مربع باشد، همچنين بايد:
- وزنه تعادل مجهز به سيستم ترمز ايمني مستقل شده، يا
- ستون صلب و محکمي در امتداد مرکز وزنه تعادل از کف چاهک تا زمين امتداد يابد.
15 - 2 - 2 - 6 - 3
چاهک بايد از نظر نفوذ رطوبت به داخل داراي عايق بندي مناسب باشد. در صورتي که عمق چاهک بيش از دو و نيم متر باشد نصب درِ بازرسي با ابعاد حداقل 600 ميليمتر در 1400 ميليمتر و يا نرده بان با فاصله مناسب از ديواره چاه به نحوي که با قطعات متحرک داشته باشد حداقل 20 ميليمتر الزامي است. همچنين زهکشي و يا تعبيه تمهيدات جمع آوري آب در مورد چاه هايي که در مسير آب هاي زيرزميني قرار دارند الزامي است.
15 - 2 - 2 - 6 - 4
در صورتي که چاه آسانسور مشترک باشد بايد اين چاهک ها به نحو مقتضي از کف چاهک تا ارتفاع 2/5 متر جداسازي شوند و بتوان به صورت ايمن از طريق هر ورودي به چاهک مربوطه رفت و آمد نمود.
چنانچه فاصله بين لبه سقف کابين و قسمت متحرک (کابين يا وزنه تعادل) آسانسور يا آسانسورهاي مجاور هم کمتر از 300 ميليمتر باشد جداسازي مذکور بايستي در سراسر ارتفاع چاه، با پهناي مؤثر امتداد يابد. اندازه پهناي مؤثر بايد حداقل برابر پهناي قسمت متحرک به اضافه 0/1 متر در هر طرف باشد. اين جداسازي با ديواره و يا فنس اجرا مي شود.
15 - 2 - 2 - 6 - 5
ضربه گيرها يا ستون هاي نشيم گاه و ضربه گير کابين و وزنه تعادل، در فضاي داخلي چاهک و پايين ترين حد مسير حرکت کابين و وزنه تعادل قرار مي گيرند. اين ضربه گيرها يا ستون هاي نشيم گاه بايد به نحوي در کف چاهک نصب يا اجرا شوند که پس از برخورد کابين يا وزنه تعادل به آنها و فشرده شدن کامل، فضاي خالي به عنوان جان پناه باقي بماند به گونه اي که بتوان مکعب مجازي به ابعاد 500 × 600 × 1000 ميليمتر روي يکي از وجوه چاهک ايجاد نمود. در صورتي که ضربه گير وزنه تعادل متحرک باشد ارتفاع پايه ستون نشيم گاه ضربه گير وزنه تعادل با هر مقداري مجاز مي باشد. حداقل ارتفاع ستون نشيم گاه ضربه گير کابين 500 ميليمتر مي باشد.
15 - 2 - 2 - 7 درهاي طبقات، درها و دريچه هاي اضطراري و بازديد
15 - 2 - 2 - 7 - 1
حداقل ارتفاع مفيد ورودي کابين در طبقات براي ورود عادي بايد 200 سانتيمتر با رواداري 5 سانتيمتر باشد.
15 - 2 - 2 - 7 - 2
درهاي طبقات بايد پس از نصب ريل هاي راهنما طبق نقشه هاي موردنظر به صورت کاملاً شاقول شده نصب شوند و هيچ گونه شکاف يا جاي باز غيرمعمول نداشته باشند.
15 - 2 - 2 - 7 - 3
نصب هرگونه درِ اضافه به جز درهاي مخصوص طبقات در ناحيه ورودي به کابين ممنوع مي باشد.
15 - 2 - 2 - 7 - 4
در آسانسورهايي که فاصله بين دو طبقه متوالي آن بيش از 11 متر باشد يک درِ اضطراري بايد در محل مناسب در نظر گرفته شود به طوري که فاصله آنها حداکثر 11 متر باشد، همچنين:
- درهاي بازرسي (در صورت وجود) بايد داراي حداقل ارتفاع 1/4 متر و حداقل پهناي 0/6 متر باشند.
- درهاي اضطراري بايد حداقل ارتفاع 1/8 متر و حداقل پهناي 0/35 متر باشند.
- دريچه هاي بازديد (در صورت وجود) بايد حداکثر 0/5 متر درازا و 0/5 متر پهنا داشته باشند.
- کليه درها و دريچه هاي فوق الذکر بايد به قفل ايمني طبق مقررات بند 15 - 2 - 3 - 7 - 5 مجهز بوده و به سمت بيرون چاه باز شوند.
15 - 2 - 2 - 7 - 5
نحوه باز و بسته شدن درها و دريچه هاي اضطراري چاه آسانسور بايد به گونه اي باشد که از سمت بيرون بدون کليد باز نشوند، ولي از داخل به راحتي و بدون نياز به کليد باز و بسته شوند. همچنين در محل قفل، مدار الکتريکي توسط شرکت هاي سازنده آسانسور طراحي و نصب گردد که هنگام باز شدن آنها کارکرد عادي آسانسور متوقف شود.
15 - 2 - 2 - 7 - 6
برآمدگي يا فرورفتگي هاي پشت درهاي طبقات (در نوع بدون درِ کابين، سمت چاه آسانسور) به نحوي باشد که سبب گير کردن ناخواسته دست يا لباس يا هرگونه شيء خارجي نگردد. حداکثر ناصافي مجاز 5 ميليمتر مي باشد.
15 - 2 - 2 - 7 - 7
نباید هیچ گونه در، دریچه اضطراری و دریچه تخلیه هوا در سمتی که وزنه تعادل قرار می گیرد، تعبیه گردد.
تبصره: دریچه اضطراری برای ورود به بالای کابین در زیرسطح سقف چاه یا یکی از دیواره های چاه از فضای موتورخانه به ابعاد 0/6 × 0/6 متر تعبیه شود که بازشوی آن به بیرون چاه بوده و طبق بند 15 - 2 - 2 - 7 - 5 دارای قفل ایمنی باشد.
15 - 2 - 2 - 7 - 8
حداقل ارتفاع کف به کف دو طبقه متوالی در هر سمت چاه آسانسور (آسانسورهای با درِ رو به رو شامل این مورد نبوده و به صورت مجزا در نظر گرفته می شود) برای تعبیه درِ طبقه آسانسور طبق جدول 15 - 2 - 2 - 7 - 8 می باشد و طبقاتی که ارتفاع آنها کمتر از ابعاد این جدول می باشد به عنوان طبقه توقف محسوب نشده و آسانسور نباید در آن طبقه توقف نماید.
| فاصله کف به کف (میلی متر) | نحوه باز شدنِ در | ارتفاع مفید در (میلی متر) |
|---|---|---|
| 2450 | افقی | 2000 |
| 2550 | افقی | 2100 |
| 2750 | افقی | 2300 |
| 3700 | قائم | 2300 |
| 4000 | قائم | 2500 |
15 - 2 - 2 - 7 - 9
در آسانسورهای گروهی (2 آسانسور یا بیشتر) در کف موتورخانه و در امتداد پاگرد جلوی در طبقه آخر دریچه ای برای حمل متعلقات داخل موتورخانه مانند موتور گیربکس، تابلو کنترل به توقف آخر تعبیه شود که بازشوی آن به سمت موتورخانه باشد ابعاد این دریچه متناسب با اندازه های سیستم محركه یا وسایل سنگین داخل موتورخانه در نظر گرفته شود. همچنین قلاب سقف یا مونوریلی در سقف موتورخانه تعبیه گردد که روی این دریچه نیز کاربرد داشته باشد.
15 - 2 - 2 - 7 - 10
طراحی و نصب درها یا دریچه ها و یا قطعات آنها باید به گونه ای باشد که در اثر حوادث عادی مانند ضربه، حريق، ترکیدگی لوله های آب و غیره به داخل چاه آسانسور سقوط ننماید.
15 - 2 - 2 - 8 تخلیه هواي چاه و موتورخانه
15 - 2 - 2 - 8 - 1
هوای چاهی که آسانسور را در خود جای داده و بیش از دو طبقه امتداد داشته باشد باید مستقیماً یا از طریق موتورخانه به فضای آزاد تخلیه شود. مساحت دریچه تخلیه هوا نباید کمتر از 1 درصد مساحت مقطع چاه آسانسور باشد.
15 - 2 - 2 - 8 - 2
در صورتی که سرعت آسانسور بیش از 2/5 متر بر ثانیه باشد سطح تخلیه هوا باید حداقل 0/3 متر مربع باشد.
15 - 2 - 2 - 8 - 3
اگر تعداد دو یا سه آسانسور در یک چاه مشترک قرار گیرند سطح دریچه تخلیه هوا (تهویه) 0/3 مترمربع کافی می باشد. ولی برای چهار آسانسور می بایستی به 0/4 متر مربع افزایش یابد و به نحوي محافظت شود که از نفوذ باران و برف، ورود پرندگان و حیوانات دیگر به چاه جلوگیری شود.
15 - 2 - 2 - 8 - 4
دریچه تخلیه هوا باید به صورت دستی عمل نماید.
15 - 2 - 2 - 8 - 5
چاه آسانسور نباید وسیله ای تخلیه هوای ساختمان باشد.
15 - 2 - 2 - 8 - 6
تخلیه هوای چاه هر گروه آسانسور مستقل از چاه های گروه دیگر خواهد بود. بنابراین نباید بین آنها ارتباط تخلیه هوا وجود داشته باشد.
15 - 2 - 2 - 9 رواداری های اجرای چاه
15 - 2 - 2 - 9 - 1
در اجرای سازه چاه آسانسور با توجه به نوع سازه و پوشش دیواره ها، رواداری های ذکر شده در سایر مباحث مقررات ملی ساختمان لازم الاجرا می باشد.
15 - 2 - 2 - 9 - 2
رواداری شاقول بودن دیواره های داخل چاه آسانسور مطابق جدول 15 - 2 - 2 - 9 - 2 می باشد، در صورت عدم رعایت این اندازه ها، ابعاد مفید چاه پس از کسر ناصافی ها ملاک عمل می باشد.
| ارتفاع چاه آسانسور | حداکثر ناصافی مجاز |
|---|---|
| 30 متر | 25 میلی متر |
| 60 - 30 متر | 25 میلی متر |
| بزرگتر از 60 متر | 50 میلی متر |
15 - 2 - 2 - 9 - 3
در صورتی که چاه دارای چند آسانسور باشد خطوط شاقولی در سمت مجاور آسانسورها باید حداقل 200 میلی متر فاصله داشته باشند (مطابق شکل 15 - 2 - 2 - 9 - 3 با در نظر گرفتن تیغه جداساز)، همچنین رواداری ناصافی در محل های قیدشده با حرف "L" حداکثر 25 میلی متر است.
15 - 2 - 2 - 9 - 4
نظر به اینکه در سازه های مرتفع (برج ها) تغییرمکان جانبی مجاز تحت تأثیر نیروهای باد در نظر گرفته می شود، لذا باید تمهیدات خاصی برای این منظور در طراحی آسانسور مد نظر قرار گیرد.
15 - 2 - 3 ویژگی آسانسورهای مورد استفاده افراد ناتوان جسمی
در آسانسورهایی که احتمال جابه جایی افراد ناتوان جسمی بیشتر است، (ساختمان های دسته دوم، سوم و چهارم)، علاوه بر رعایت کلیه ضوابط آسانسورها باید ضوابط و مقررات زیر نیز رعایت گردد:
15 - 2 - 3 - 1
عرض درِ طبقات حداقل باید 800 میلی متر باشد، ولی توصیه می شود در طبقات برای این نوع آسانسور، از نوع اتوماتیک و با عرض 900 میلی متر انتخاب شود.
15 - 2 - 3 - 2
مسیر دسترسی به درِ آسانسور مخصوصاً ورودی اصلی باید بدون مانع یا شیب تند باشد.
15 - 2 - 3 - 3
حداقل عرض کابین در ساختمان های عمومی 1100 میلی متر و حداقل عمق 1400 میلی متر باشد.
15 - 2 - 3 - 4
حداقل یک دستگیره روی یک دیواره کابین در ارتفاع 900 میلی متر نصب شود، سطح مقطع این دستگیره بین 30 تا 45 میلی متر با شعاع انحنای 10 میلی متر و فاصله آن از دیوار کابین حداقل 35 میلی متر باشد.
15 - 2 - 3 - 5
در صورتی که نیاز به تعبیه صندلی تاشو برای نشستن افراد ناتوان در داخل کابین باشد نشیمن این صندلی باید حداقل 300 میلی متر عمق و 400 میلی متر عرض داشته باشد و در ارتفاع 500 میلی متری از کف کابین نصب شود و حداقل 100 کیلوگرم بار را تحمل نماید.
15 - 2 - 3 - 6
حداکثر رواداری توقف در تراز طبقه ±10 میلی متر باشد.
15 - 2 - 3 - 7
زمان باز ماندنِ در، متناسب با نوع کاربری توسط افراد ناتوان، از 2 تا 20 ثانیه قابل تنظیم باشد.
15 - 2 - 3 - 8
در آسانسورهای تکی لازم است کنار درِ آسانسور حداقل یک شستی احضار و در آسانسورهای گروهی که روبروی هم هستند در هر دیوار تعبیه گردد.
15 - 2 - 3 - 9
لازم است رسیدن آسانسور به طبقه مورد نظر و شروع باز شدن در طبقه با صدای زنگی که شدت صوتی آن قابل تنظیم از 35 تا 65 دسی بل باشد، اعلام گردد.
15 - 2 - 3 - 10
علاوه بر وجود نشان دهنده جهت حرکت آسانسور در داخل کابین، باید جهت حرکت به صورت علائم صوتی نیز مشخص شود. بدين منظور سیگنال های صوتی منقطع تکی برای نشان دادن جهت حرکت به سمت بالا و دوتایی برای نشان دادن جهت حرکت به سمت پایین در داخل کابین پخش شود.
15 - 2 - 4 ویژگی های آسانسورهای هیدرولیک
15 - 2 - 4 - 1
در صورتی که سیستم از نوع مستقیم باشد جک باید دارای شیر اطمینان مخصوص باشد. در صورتی که از نوع غیرمستقیم باشد علاوه بر شیر اطمینان مخصوص، تدابیر ایمنی برای پیشگیری از سقوط آسانسور در اثر پاره شدن سیم بکسل مطابق استاندارد شماره 2 - 6303 سازمان ملی استاندارد ایران در نظر گرفته شود.
15 - 2 - 4 - 2
در صورتی که بیش از یک جک برای جابه جایی کابین به کار رود باید به نحوي به هم دیگر مرتبط شوند که فشار روغن آنها همواره یکسان باشد.
15 - 2 - 4 - 3
در صورتی که آسانسور هیدرولیک از نوعی باشد که نیاز به حفر چاه جهت استقرار جک باشد (چاه جک)، باید پیش بینی لازم جهت حفر این چاه به عمل آید.
15 - 2 - 4 - 4
چاه جک (در صورت وجود) باید نسبت به نفوذ آب مقاوم باشد و با دقت شاقولی 25 میلی متر در ارتفاع 3 متر اجرا گردد.
15 - 2 - 4 - 5
سایر الزامات مانند محاسبه تعداد، ظرفيت، جابه جایی که برای آسانسورهای کششی مقرر شده، برای آسانسورهای هیدرولیک نیز لازم الاجرا می باشد.
15 - 2 - 5 الزامات آسانسورهای حمل خودرو
15 - 2 - 5 - 1
تعبیه آسانسورهای خودروبر به عنوان تنها راه ورود و خروج خودرو در طبقات پارکینگ کلیه ساختمان های مسکونی، تجاری، اداری و عمومی ممنوع می باشد.
15 - 2 - 5 - 2
در پارکینگ های طبقاتی و ساختمان هایی که طبقات پارکینگ در کنار ساختمان قرار دارند، تعبیه آسانسورهای خودروبر مجاز می باشد. در این شرایط تعداد مورد نیاز آسانسور باید بر اساس محاسبات ترافیکی آن تعیین شود (تعبیه حداقل 2 آسانسور الزامی است).
15 - 2 - 5 - 3
تأمین نیروی برق ثانویه (ژنراتور) به منظور سرویس دهی کامل آسانسورهای خودروبر الزامی است.
15 - 2 - 5 - 4
در ساختمان هایی که مطابق بند (15 - 2 - 5 - 2) تعبیه آسانسور حمل خودرو در آنها ممنوع نشده است، رعایت مقررات مبحث سوم مقررات ملی ساختمان درخصوص راه های خروج، سیستم های اعلام حريق اتوماتیک و دستی، سیستم های اطفای حريق و... الزامی است.
15 - 2 - 5 - 5
به منظور تخلیه گاز و دودهای خروجی از اگزوز خودروها، تعبیه فن های مکنده متناسب با حجم کابین در سقف کابین و در بالای چاه آسانسور الزامی است.
15 - 2 - 5 - 6
کابین آسانسورهای خودروبر باید دارای درِ اتوماتیک با سیستم محركه مجزا باشد و درهای طبقات نیز از نوع اتوماتیک انتخاب شوند.
15 - 2 - 5 - 7
در هر کابین باید دو شستی احضار در دو سمت دیواره کابین نصب شود. محل قرارگیری این شستی ها باید به گونه ای باشد که راننده خودرو هنگام ورود و خروج از هر دو سمت امکان دسترسی به دکمه های طبقات و کلیدهای توقف اضطراری را دارا باشد.
15 - 2 - 5 - 8
استفاده از چشم الکترونیکی پرده ای دوبعدی یا سه بعدی در ورودی(های) کابین الزامی است.
15 - 2 - 5 - 9
آسانسور حمل خودرو باید به سیستم تراز طبقه مجدد مجهز باشد.
15 - 2 - 6 آزمایش و تحویل گیری
15 - 2 - 6 - 1
آسانسور باید مطابق ضوابط این مقررات در ساختمان ها نصب، راه اندازی و تحویل گردد و قطعات منفصله و یا مونتاژ شده آن مطابق ضوابط سازمان ملی استاندارد ایران به شماره های 1 - 6303 و 2 - 6303 ساخته شده باشند.
15 - 2 - 6 - 2
آسانسور پس از نصب و راه اندازی باید توسط متخصصان صاحب صلاحیت آزمایش و تحویل گرفته شود. این تحویل گیری مانع از ضمانت شرکت سازنده، فروشنده و نصاب آسانسور نخواهد بود.
15 - 2 - 6 - 3
عقد قرارداد نگهداری مناسب، با اشخاص حقیقی و حقوقی صاحب صلاحیت در حین بهره برداری، همواره الزامی است، در غیر این صورت مسئولیت آسانسور با کارفرما یا بهره بردار ساختمان خواهد بود و باید در قبال هر حادثه ای پاسخگو باشند.
15 - 2 - 6 - 4
هنگام بازدید یا تعمیر آسانسور در دوره بهره برداری، لازم است کلیه ورودی های آسانسور در طبقات مختلف توسط سرویس کار مجاز ساختمان مسدود گردد. مسدود نمودن ورودی های مذکور لازم است با علائم هشداردهنده مطابق با مبحث بیستم مقررات ملی ساختمان انجام گیرد.
هنگام تحویل گیری آسانسور علاوه بر مواردی که قبلاً ذکر شد، رعایت نکات زیر نیز الزامی است:
15 - 2 - 6 - 4 - 1
کابین باید در تراز هر طبقه توقف نماید و در حین ورود و خروج مسافر یا بار در آن تراز باقی بماند.
15 - 2 - 6 - 4 - 2
رواداری توقف کابین از سطح تراز ورودی نباید از ±20 میلی متر بیشتر شود.
15 - 2 - 6 - 4 - 3
در صورتی که به دلیل ظرفیت سنگین و یا ارتفاع زیاد و یا هر دلیل دیگر کابین بعد از کم یا زیاد شدن مسافران و بار، تغییر سطح دهد و از رواداری مجاز تجاوز نماید باید مکانیزم تراز طبقه شدن مجدد به سیستم اضافه شود.
15 - 2 - 6 - 4 - 4
کابین نباید هنگام حرکت به سمت بالا یا پایین لرزش یا تکان داشته باشد و صداهای سایش یا غیرمعمول بدهد.
15 - 2 - 6 - 4 - 5
سیستم محركه آسانسور باید کمترین لرزش و صدا را داشته باشد و با بالانس کردن صحیح و نصب لرزه گیرهای مناسب از به وجود آمدن و انتقال این موارد به سازه ساختمان جلوگیری شده باشد.
15 - 2 - 6 - 4 - 6
در مواقع قطع برق، باید بتوان به طور دستی کابین را به نزدیک ترین طبقه رسانید تا مسافران خارج شوند، دستورالعمل نحوه عملکرد باید در موتورخانه نصب باشد.
15 - 2 - 6 - 4 - 7
درِ کابین و درهای طبقات در هنگام بسته بودن باید کاملاً محدوده بازشوی ورودی را پوشش داده و قفل شوند (قفل ایمنی).
15 - 2 - 6 - 4 - 8
دکمه های زنگ اخبار و توقف اضطراری در کابین (در صورت وجود) پایین ترین دکمه بوده و در ارتفاعی برابر با 890 میلی متر نصب شوند و بالاترین دکمه نباید بیش از 1370 میلی متر از کف کابین ارتفاع داشته باشد.
15 - 2 - 6 - 4 - 9
زنگ اخبار (در صورت وجود) باید مجهز به باتری قابل شارژ باشد و حتی المقدور امکان نصب زنگ کمکی در اتاق نگهبانی نیز فراهم گردد.
15 - 2 - 6 - 4 - 10
در ساختمان های عمومی باید وسیله مکالمه دوطرفه (تلفن یا ...) در کابین نصب شود (توصیه می شود این وسیله در کلیه آسانسورها نصب شود).
15 - 2 - 6 - 4 - 11
درهای لولایی طبقات باید مجهز به پنجره مرئی شوند تا بودن کابین در طبقه مشخص شود. کیفیت و ابعاد این پنجره و شیشه باید طبق ضوابط استانداردهای ملی یا استانداردهای معتبر بین المللی باشد.
15 - 2 - 6 - 4 - 12
روشن بودن داخل کابین به طور دائم در حین حرکت یا با درِ باز الزامی است.
15 - 2 - 6 - 4 - 13
تعبیه هواکش برای کابین دارای در الزامی است.
15 - 2 - 6 - 4 - 14
در صورتی که کابین فاقد در باشد (آسانسورهای باری ویژه) باید لبه ایمنی مجهز به میکروسئیچ و حداقل یک چشم الکترونیکی در آستانه ورودی کابین نصب شود. علاوه بر آن باید کلیه شرایط ایمنی، مطابق با ضوابط سازمان ملی استاندارد ایران به شماره های 1 - 6303 و 2 - 6303 رعایت گردد.
15 - 2 - 6 - 4 - 15
ریل های راهنمای آسانسور باید از جنس فولاد مخصوص بوده و استحکام و درستی انتخاب و نصب آنها توسط شرکت آسانسوری تضمین شده باشند.
15 - 2 - 6 - 4 - 16
در موقع تحویل گیری آسانسور باید شناسنامه مربوطه به آسانسور مطابق پیوست شماره 1 دریافت شود و در هر قرارداد نگهداری، این شناسنامه به رویت شرکت نگهدارنده برسد تا آخرین تغییرات اساسی در آسانسور به اطلاعات آن شناسنامه اضافه گردد.
15 - 2 - 6 - 4 - 17
دستگیره ای بر روی یکی از دیواره های کابین، ترجیحاً در عقب با سطحی صاف با فاصله ای حداقل 20 میلی متر از دیواره و در ارتفاع 900 میلی متر از کف کابین نصب شود.
15 - 2 - 6 - 4 - 18
وقتی که درِ کابین و درِ طبقات باز می شوند، شدت روشنايی بر روی دکمه های کنترل کابین و یا راهروها، نباید از 50 لوکس کمتر باشد و این روشنايی باید دائمی باشد.
15 - 2 - 6 - 4 - 19
در آسانسورهای تخت بر و آسانسورهای حمل بار، نصب یک یا دو ردیف ضربه گیر روی تمام دیواره های کابین الزامی است.
15 - 2 - 6 - 4 - 20
حداکثر ارتفاع بالاترین دکمه ها و نشانگرهای کابین نباید بیش از 1800 میلی متر باشد. دکمه های نشان دهنده جهت، اندازه ای برابر 18 میلی متر خواهند داشت. نشانگر قابل رؤیتی جهت نشان دادن تقاضای مسافر ثبت شده روی دکمه ها یا کنار آنها برای هر آسانسور، باید وجود داشته باشد و پس از جواب دادن به این تقاضا باید خاموش شده یا تغییر رنگ دهد.
15 - 2 - 6 - 4 - 21
در کلیه طبقات به جز طبقه ورودی اصلی، یک علامت تصویری با طرح استاندارد شده در مجاورت هر دکمه آسانسور نصب شود که نشان می دهد که در مواقع آتش سوزی از آسانسور استفاده نشود و راه پله خروجی و اضطراری را نشان دهد.
15 - 2 - 6 - 4 - 22
اتصال زمین مناسبی برای سیستم برق آسانسور و همچنین سیستم هم بندی برای هم ولتاژ کردن جهت ریل های آسانسور و قطعات فلزی ثابت آن، مطابق مفاد مقررات مبحث سیزدهم مقررات ملی ساختمان در نظر گرفته شود.
15 - 2 - 6 - 4 - 23
در صورتی که ساختمان به هر دلیلی قبل از تکمیل سیستم آسانسور مورد بهره برداری قرار گیرد، باید تمام نقاط دسترسی به چاه و آسانسور و موتورخانه آسانسور در برابر خطر سقوط محافظت شوند.
15 - 2 - 7 حفاظت در مقابل آتش
هنگام آتش سوزی ساختمان ها، آسانسورها می توانند نقش حیاتی در تخلیه ساختمان و نجات افراد داشته باشند در حالی که همیشه این پیغام در آسانسورها نصب می شود که از آسانسورها هنگام آتش سوزی استفاده نشود. هنگام وقوع حريق در تمام یا قسمتی از ساختمان مشکلات تخلیه خصوصاً برای سالمندان و بیماران پیش می آید. به همین منظور استفاده از آسانسور در مواقع آتش سوزی در صورتی مجاز است که آسانسور در اختیار افراد ذی صلاح یا آتش نشان ها قرار گیرد تا بتوانند با راندمان بیشتر، عملیات تخلیه را انجام دهند.
15 - 2 - 7 - 1
رعایت مفاد مبحث سوم مقررات ملی ساختمان تحت عنوان "محافظت ساختمان ها در برابر حريق" لازم الاجرا می باشد.
15 - 2 - 7 - 2
چاه آسانسور به عنوان یک کانال هوایی عمل می کند و لذا راهرو طبقات باید توسط درهای ضدگسترش حريق محفوظ گردد تا از نفوذ دود و آتش به چاه آسانسور و عمل نمودن چاه آسانسور به عنوان دودکش جلوگیری شود.
15 - 2 - 7 - 3
کابل تغذیه برق برای آسانسور باید مستقل باشد تا چنانچه در اثر آتش سوزی، اتصال برق منجر به عمل فیوزها یا کلیدهای حفاظتی دیگر گشته و سبب قطع مدار برق قسمت هایی از ساختمان شوند، سیستم برق آسانسور همچنان متصل و فعال باشد.
15 - 2 - 7 - 4
در پایین ترین نقطه و یا در طبقه همکف داکت هوایی خاصی برای چاه آسانسور طراحی و ساخته شود تا در مواقع آتش سوزی و نفوذ دود به چاه آسانسور، تهویه هوای تازه از داکت ممکن باشد.
15 - 2 - 7 - 5
داکت فوق باید به نحوي محفوظ شود تا از ورود انسان و یا حیوانات به چاه آسانسور جلوگیری شود.
15 - 2 - 7 - 6
در صورت الزام به پیش بینی سیستم اعلام حريق در ساختمان (با توجه به ضوابط سایر مباحث مقررات ملی ساختمان یا ضوابط سازمان آتش نشانی و غیره)، نصب حسگرهای سیستم اعلام حريق در فضاهاي موتورخانه آسانسور، چاه آسانسور، راهرو و ورودی به موتورخانه آسانسور و راهرو جلوی درِ طبقات آسانسور الزامی است. حداکثر فاصله افقی نصب این حسگرها از مرکز هر بازشو آسانسور (مرکز در طبقات) برابر 1/5 متر است. این حسگرها از طریق تابلو کنترل (پانل کنترل) سیستم اعلام حريق به سیستم کنترل آسانسور مرتبط می گردند. در صورتی که حسگرهای فوق الذکر فعال شوند، درِ آسانسور نباید در هیچ یک از طبقات به جز طبقه ورودی یا طبقه از پیش تعریف شده باز شود. تمام آسانسورها باید به طبقه ای که توسط افراد مسئول ساختمان مشخص می شود منتقل شوند و قابلیت کنترل به صورت دستی (کلید آتش نشان) را دارا باشند.
15 - 2 - 7 - 7
استفاده از هر نوع وسایل آتش نشانی در موتورخانه آسانسور به شرطی مجاز می باشد که این تجهیزات برای اطفای حريق ناشی از آسانسور به کار روند.
15 - 2 - 7 - 8
انبار کردن و یا گذاشتن هر نوع مواد قابل اشتعال و یا غیرقابل اشتعال در چاه آسانسور، موتورخانه و یا چاهک آسانسور ممنوع می باشد.
15 - 2 - 7 - 9
در صورتی که دیواره های چاه آسانسور از نظر مقاومت به آتش درجه بندی شده باشند، باید درهای لولایی همان درجه و درهای اتوماتیک حداقل نصف آن درجه بندی را دارا باشند.
15 - 2 - 8 برق اضطراری
در صورتی که وجود برق اضطراری برای یک ساختمان ضروری باشد باید حداقل یک آسانسور از هر گروه آسانسور در ساختمان از برق اضطراری تغذیه گردد و این خط تغذیه باید بتواند هریک از آسانسورهای دیگر را به انتخاب تغذیه نماید. این سیستم باید به صورت خودکار فعال شود.
15 - 3 پله برقی و پیاده روی متحرک
15 - 3 - 1 الزامات اولیه طراحی
مهندسان طراح باید با استفاده از اطلاعات این بخش و اطلاعات تکمیلی اخذ شده از شرکت های معتبر سازنده نسبت به انتخاب نوع، تعداد، ظرفیت و مکان صحیح قرارگیری پله برقی اقدام نمایند و مسئولیت هرگونه اشتباهی درخصوص موارد ذکر شده به عهده آنان می باشد.
15 - 3 - 1 - 1
پله برقی باید در محلی که بیشترین تردد مسافران از آنجا صورت می گیرد تعبیه گردد، و بدون بروز اغتشاش در مسیر حرکت عادی آن طبقه، افراد را به سطح بالاتر یا پایین تر منتقل نماید. در صورت عدم امکان رؤیت باید با علائم مناسبی افراد به سمت پله برقی هدایت شوند.
15 - 3 - 1 - 2
در ابتدا و انتهای پله برقی فضای غیرمحصور مناسبی در نظر گرفته شود، به نحوي که مسافران به راحتی به مسیر حرکت خود ادامه داده از ازدحام در قسمت ورودی و خروجی جلوگیری شود. حداقل عرض این فضا باید به اندازه فاصله لبه ی بیرونی دستگیره ها به علاوه 80 میلی متر از هر طرف بیشتر بوده و عمق آن از انتهای دستگیره حداقل 2/5 متر باشد (شکل 15 - 3 - 1 - 2)، در صورتی که عمق 2 متر باشد حداقل عرض باید دو برابر فاصله بین مرکز دو دستگیره باشد.
15 - 3 - 1 - 3
مهندسان طراح با توجه به شرایط و موقعیت ساختمان می توانند آرایش پله برقی را با رعایت بندهای این مقررات و مشورت شرکت های معتبر سازنده به کار گیرند.
15 - 3 - 1 - 4
در مکان های پرتردد نظیر مترو و پایانه های مسافری باید از پله های عریض استفاده نمود. پله برقی این اماکن باید از نوع پرکار یا خیلی پرکار انتخاب شوند.
15 - 3 - 1 - 5
در صورتی که پله برقی در محیط روباز استفاده می شود باید از نوعی انتخاب شود که سازگاری کافی با شرایط محیطی را دارا باشد.
15 - 3 - 1 - 6
اطراف منطقه باز طبقه فوقانی می بایستی به نحوي محصور گردد که امکان سقوط ناخواسته اشیاء یا افراد، وجود نداشته باشد.
15 - 3 - 1 - 7
حداکثر سرعت پله برقی در صورتی که زاویه شیب آن بیش از 30 درجه نباشد 0/75 متر بر ثانیه می باشد. در صورتی که زاویه شیب بین 30 تا 35 درجه باشد حداکثر سرعت اسمی 0/5 متر بر ثانیه می باشد.
15 - 3 - 1 - 8
سرعت اسمی پیاده روی متحرک در ورودی و خروجی آن حداکثر 0/75 متر بر ثانیه می باشد.
15 - 3 - 1 - 9
تحت شرایط خاصی سرعت اسمی پیاده روی متحرک در ورودی و خروجی تا 0/9 متر بر ثانیه قابل افزایش است در این صورت نباید عرض پیاده روی متحرک از 1/10 متر بیشتر باشد.
15 - 3 - 1 - 10
حداقل فاصله قائم مجاز ما بین نوک هر پله تا هر مانع فوقانی 2/30 متر می باشد.
15 - 3 - 1 - 11
زاویه شیب پله برقی نباید از 30 درجه بیشتر شود. در صورتی که حداکثر ارتفاع پله 6 متر و حداکثر سرعت آن 0/5 متر بر ثانیه باشد این زاویه تا 35 درجه قابل افزایش است (شکل 15 - 3 - 1 - 11).
15 - 3 - 1 - 12
زاویه شیب پیاده روی متحرک حداکثر 12 درجه نسبت به سطح افق می باشد (شکل 15 - 3 - 1 - 12).
15 - 3 - 1 - 13
در صورتی که زاویه شیب پیاده روی متحرک بیش از 6 درجه باشد، باید در سطح فوقانی حرکت حداقل مسافت 0/4 متر را با زاویه شیب کمتر از 6 درجه طی نماید. در صورتی که سرعت طبق مقررات بند (15 - 3 - 1 - 12) باشد این مسافت حداقل به 1/6 متر افزایش می یابد.
15 - 3 - 2 ویژگی های سازه و نحوه انتخاب پله برقی و پیاده روی متحرک
15 - 3 - 2 - 1
نیروهای استاتیکی و دینامیکی وارد شده از طرف پله برقی و پیاده روی متحرک به سازه ساختمان و نیروی قابل تحمل قلاب های نصب پله برقی و پیاده روی متحرک متناسب با عرض پله، ارتفاع، زاویه، نوع مصالح مورد استفاده توسط شرکت سازنده تعیین می شود. لذا مهندسان طراح سازه باید پس از مشخص نمودن ارتفاع، زاویه و انتخاب عرض پله طبق بند (15 - 3 - 2 - 2)، میزان نیروها و محل اثر آنها را از شرکت های معتبر سازنده پله برقی و پیاده روی متحرک اخذ نموده در محاسبه و طراحی سازه لحاظ نمایند.
15 - 3 - 2 - 2
ظرفیت جابه جایی افراد توسط پله برقی در ساعت از نظر تئوری از رابطه 15 - 3 - 2 - 2 به دست می آید (شکل 15 - 3 - 2 - 2). همچنین جدول 15 - 3 - 2 - 2 ظرفیت جابه جایی برای سرعت ها و عرض پله های معمول را نمایش می دهد.
\( C_t = \frac{V \times 3600}{T} \times k \) (15 - 3 - 2 - 2)
که در آن:
\( C_t \) = تعداد افراد جابه جا شده در ساعت
\( V \) = سرعت حرکت پله (متر بر ثانیه)
\( T \) = عمق پله (متر)
\( k \) = ضریب متناسب با عرض پله
\( (P/h) \) = نفر در ساعت
در صورتی که عرض پله 0/6 متر (1 نفر روی هر پله) باشد: \( k = 1 \)
در صورتی که عرض پله 0/8 متر (1/5 نفر روی هر پله) باشد: \( k = 1/5 \)
در صورتی که عرض پله 1 متر (2 نفر روی هر پله) باشد: \( k = 2 \)
| عرض پله (متر) | سرعت اسمی (متر بر ثانیه) | سرعت اسمی (متر بر ثانیه) | سرعت اسمی (متر بر ثانیه) |
|---|---|---|---|
| 0/6 | 4500 نفر در ساعت | 5850 نفر در ساعت | 6750 نفر در ساعت |
| 0/8 | 6750 نفر در ساعت | 8775 نفر در ساعت | 10125 نفر در ساعت |
| 1 | 9000 نفر در ساعت | 11700 نفر در ساعت | 13500 نفر در ساعت |
توضیح: در عمل تعداد افرادی که توسط پله برقی در یک ساعت جا به جا می شوند کمتر از مقادیر بالا است زیرا برخی از پله ها خالی می مانند و روی هر پله هم تعداد کامل سوار نمی شوند.
15 - 3 - 2 - 3
محاسبه ظرفیت جابه جایی افراد در پیاده روی متحرک از رابطه مندرج در بند (15 - 3 - 2 - 2) به دست می آید. ضریب \( k \) در صورتی که عرض پیاده روی متحرک 1/20 متر باشد، 2/5 می باشد.
15 - 3 - 2 - 4
در طراحی محل نصب پله برقی و پیاده روی متحرک باید پیش بینی های لازم جهت چاهک متناسب با نوع و ارتفاع پله برقی و پیاده روی متحرک مد نظر قرار گیرد، ابعاد و ارتفاع چاهک مذکور طبق جدول های شرکت های سازنده پله برقی و پیاده روی متحرک طراحی می گردد.
15 - 3 - 3 تأثیرات پله برقی و پیاده روی متحرک بر سازه ساختمان
15 - 3 - 3 - 1
نیروهای استاتیکی و دینامیکی ناشی از وزن و حرکت پله برقی و پیاده روی متحرک باید در محاسبه و طراحی سازه ساختمان مورد نظر قرار گیرند.
15 - 3 - 3 - 2
تأثیرات دینامیکی ناشی از ارتعاش موتور پله برقی باید در محاسبه و طراحی سازه ساختمان و سازه نگهدارنده پله برقی و پیاده روی متحرک در نظر گرفته شود.
15 - 3 - 4 مشخصات فنی پله برقی و پیاده روی متحرک
15 - 3 - 4 - 1
پله برقی و پیاده روی متحرک باید قابلیت حرکت در دو جهت پایین و بالا را داشته باشد. تغییر جهت حرکت پس از تخلیه کامل افراد به عهده تکنسین مقيم و مسئول پله برقی می باشد. جهت حرکت نباید توسط مسافرین قابل تغییر باشد.
15 - 3 - 4 - 2
در پله برقی باید حداقل 2 و حداکثر 4 پله تخت در ورودی و خروجی جهت تسهیل پیاده شدن افراد پیش بینی گردد. در صورتی که ارتفاع پله برقی بیش از 6 متر باشد تعبیه 3 پله تخت در ورودی و خروجی پله برقی الزامی است.
15 - 3 - 4 - 3
نرده های پله برقی و پیاده روی متحرک باید در دو طرف وجود داشته باشند. جنس دیواره های آنها معمولاً فلز است. در صورتی که جنس این دیواره ها شیشه باشد باید از نوع شیشه ایمنی با مقاومت مکانیکی کافی و حداقل 6 میلی متر ضخامت باشد.
15 - 3 - 4 - 4
نرده های هر دو طرف باید پس از رسیدن به سطح افقی طبقات حداقل 300 میلی متر ادامه یابند.
15 - 3 - 4 - 5
شانه ثابت فلزی قابل تنظیم، با دندانه های متناسب با شکل شیارهای پله یا تسمه در قسمت ورودی و خروجی به صورت ثابت باید نصب گردد.
15 - 3 - 4 - 6
دستگیره روی نرده های دو طرف پله باید متحرک و هم جهت حرکت پله بوده و سرعت حرکت آن برابر سرعت حرکت پله با رواداری حداکثر ±2 درصد باشد.
15 - 3 - 4 - 7
فاصله بین کناره های خارجی دستگیره و دیواره یا مانع اطراف (در صورت وجود) نباید کمتر از 80 میلی متر باشد.
15 - 3 - 4 - 8
فاصله بین پله ها و یا فاصله بین پله ها و حفاظ کناری آنها نباید بیش از 5 میلی متر باشد.
15 - 3 - 4 - 9
در مکان های کم ترافیک جهت صرفه جویی انرژی و جلوگیری از استهلاک پله برقی و پیاده روی متحرک، لازم است با استفاده از چشم الکترونیک و یا حسگرهای مکانیکی سیستمی تعبیه گردد که در بازه های زمانی عدم استفاده افراد، از سرعت حرکت دستگاه کاسته شده و یا متوقف گردد.
15 - 3 - 5 حفاظت های فنی و ایمنی
15 - 3 - 5 - 1
لازم است در گوشه زیر سقف طبقه فوقانی و پله برقی محافظ نصب گردد.
15 - 3 - 5 - 2
قبل از راه اندازی پله برقی و پیاده روهای متحرک نسبت به عملکرد کلیه سیستم های ایمنی باید اطمینان حاصل نمود.
15 - 3 - 5 - 3
در محل ورود و خروج دستگیره به نرده های دو طرف پله باید محافظ دست یا انگشت یا اشیاء خارجی تعبیه نمود.
15 - 3 - 5 - 4
پله برقی و پیاده روهای متحرک باید به سیستم ترمز مطابق با استانداردهای ملی پله برقی (در صورت وجود) یا استانداردهای معتبر بین المللی مجهز باشند و در صورت بروز هرگونه خطای برقي، ترمز پله برقی باید فعال گردد و به صورت آرام حرکت پله را به طور خودکار متوقف نماید.
15 - 3 - 5 - 5
کنترل کننده مکانیکی سرعت (گاورنر) جهت تشخیص افزیش یا کاهش سرعت مجاز باید در ساختار پله برقی و پیاده روهای متحرک پیش بینی گردد.
15 - 3 - 5 - 6
جهت توقف اضطراری حرکت پله برقی و پیاده روهای متحرک دکمه قرمز رنگ قابل رؤیتی در گوشه پایین سمت راست ورودی و خروجی پله برقی و پیاده روهای متحرک باید نصب گردد. در پله برقی و پیاده روهای متحرک با طول زیاد باید دگمه های اضطراری اضافی نصب شود به گونه ای که حداکثر فاصله بین آنها در پله برقی 30 متر و در پیاده روی متحرک 40 متر باشد.
15 - 3 - 5 - 7
در هنگام شکستن پله، گیر کردن مانعی بین پله ها یا بین پله ها و صفحه شانه ای و پاره شدن زنجیر اتصال پله ها به یکدیگر باید به وسیله حسگرهای جداگانه حرکت پله متوقف گردد.
15 - 3 - 5 - 8
عرض شیار هر پله از 5 تا 7 میلی متر و عمق آن از 10 میلی متر نباید کمتر باشد. سطح پله باید مانع لیز خوردن افراد شود.
15 - 3 - 5 - 9
حداکثر ارتفاع هر پله 0/24 متر و حداقل عمق 0/38 متر می باشد.
15 - 3 - 5 - 10
سراسر اجزای پله برقی و پیاده روهای متحرک باید در کلیه ساعات کارکرد با روشنايی یکنواخت بیش از 54 لوکس روشن شود.
15 - 3 - 5 - 11
در سطح ورودی و خروجی پله برقی و پیاده روهای متحرک باید تابلوهای قابل رؤیت و مقاومی حاوی نکات ایمنی و هشداردهنده زیر نصب شوند:
- الف- توجه،
- ب- مخصوص عبور افراد،
- پ- مواظب کودکان خود باشید،
- ت- دستگیره ها را بگیرید، و
- ث- به کناره ها تکیه نکنید.
15 - 3 - 5 - 12
تمام فضاهاي پله برقی و پیاده روهای متحرک که نیاز به بازرسی یا تعمیر دارند باید دارای درهایی باشند که در شرایط عادی بسته باشند.
15 - 3 - 6 حفاظت در مقابل آتش
15 - 3 - 6 - 1
علاوه بر رعایت مقررات این بخش رعایت مقررات مبحث سوم مقررات ملی ساختمان در خصوص حفاظت در برابر آتش الزامی می باشد.
15 - 3 - 6 - 2
کناره ها و زیرماهاری های اصلی پله برقی و پیاده روهای متحرک باید از مواد مقاوم به حريق ساخته شوند.
تبصره: برای جلوگیری از نفوذ شعله های آتش یا دود می توان در نقاط باز دو طبقه درهایی را تعبیه نمود. در این صورت باید این درها به نحوي ساخته شوند که به محض رسیدن مسافران به راحتی به هر دو طرف قابل باز شدن باشند.
15 - 3 - 6 - 3
در صورت وجود درهای ضدحريق بیان شده در توصیه فوق، قبل از روشن شدن پله برقی و پیاده روهای متحرک، مسئول مربوطه باید از قفل نبودن این درها اطمینان حاصل نماید.
15 - 3 - 6 - 4
در صورتی که سیستم اعلام حريق در اطراف پله برقی و پیاده روهای متحرک تعبیه شده باشد توصیه می گردد به نحوي به سیستم کنترل پله برقی و پیاده روهای متحرک مرتبط باشد که هنگام عملکرد آنها، پله برقی و پیاده روهای متحرک هم جهت با ورود افراد به ساختمان متوقف شده و در صورت صلاح دید مسئولان آتش نشانی (پس از خروج کامل افراد از پله برقی و پیاده روهای متحرک)، کلیه پله ها و پیاده روها توسط افراد مسئول در جهت تخلیه افراد از ساختمان تغییر جهت داده و حرکت نمایند.
15 - 3 - 7 تحویل گیری و نگهداری
15 - 3 - 7 - 1
پله برقی و پیاده روهای متحرک باید مطابق ضوابط این مقررات در ساختمان ها نصب و راه اندازی گردد و قطعات منفصله و یا مونتاژ شده آن مطابق ضوابط سازمان ملی استاندارد ایران به شماره 1 - 6303 ساخته شده و پس از نصب بازرسی فنی شده باشند.
15 - 3 - 7 - 2
مسئولیت کارکرد صحیح، ایمن و مداوم پله برقی و پیاده روهای متحرک پس از نصب و راه اندازی به عهده شرکت سازنده یا پیمانکار فروشنده آن می باشد، ولی مهندسان یا مسئولان بهره برداری یا کارفرما باید طبق مفاد این مقررات و سایر موارد ایمنی و فنی مندرج در مشخصات فروشنده، پله برقی و پیاده روهای متحرک را تحویل بگیرند و در این زمینه مسئولیت دارند.
15 - 3 - 7 - 3
در صورتی که هریک از موارد مندرج در این مقررات توسط فروشنده یا سازنده پله برقی و پیاده روهای متحرک و یا موارد ساختمانی رعایت نشده باشد، هر کدام در حوزه مسئولیت خود موظف به رفع مغایرت بوده و تا زمان رفع این موارد تحویل گیری و بهره برداری از پله برقی و پیاده روی متحرک امکان پذیر نخواهد بود.
15 - 3 - 7 - 4
پس از تحویل گیری پله برقی و پیاده روهای متحرک، نگهداری و سرویس های منظم آن باید به عهده شرکت های ذی صلاح گذاشته شود. هرگونه اشکال ناشی از عدم سرویس به عهده نگهدارنده می باشد و در صورت عدم عقد قرارداد نگهداری، مسئولیت به عهده مسئولان ساختمان یا نمایندگان قانونی آنها می باشد.
پیوست 1 اطلاعات و مدارک فنی آسانسور، پله برقی و پیاده روی متحرک
هر دستگاه آسانسور، پله برقی یا پیاده روی متحرک باید دارای مدارک فنی به شرح زیر باشد و به مسئولین ساختمان تحویل گردد:
- پلاک: شامل نام و نشانی کامل سازنده، نام و نشانی نماینده (در صورت وجود)، مدل دستگاه، شماره سریال و سال ساخت. این پلاک باید به آسانی قابل مشاهده و خواندن باشد.
- شناسنامه های فنی: مانند نمونه های ارائه شده در پایان همین پیوست
- نقشه های اجرایی: با قید نیروهای وارده و نقشه های عمومی برقی
- تاییدیه های فنی و گواهی های مربوط به اجزا مطابق ضوابط استانداردهای ملی
- گواهی بازرسی فنی صادره از طرف شرکت بازرسی معتبر که پس از نصب، راه اندازی، آزمایش و تایید بر مبناي استاندارد ملی صادر می گردد. پلاک گواهی بازرسی فنی باید داخل کابین آسانسور نیز نصب گردد.
- قرارداد سرویس و نگهداری
- کتابچه دستورالعمل بهره برداری: در این کتابچه دستورالعمل های سرویس، نگهداری، بازرسی و آزمایش های دوره ای باید به زبان فارسی و انگلیسی آمده باشد. اطلاعات ارائه شده در این دستورالعمل باید تا حد امکان در قالب شکل، نمودار یا جدول ارائه شده باشد. جهت استفاده طولانی مدت کتابچه ارائه شده باید از جنس بادوام ساخته شده باشد.
- دستورالعمل های ایمنی که نیاز به اقدام فوری دارند، باید به راحتی در دسترس افراد صاحب صلاحیت باشند تا در مواقع لزوم بتوان به آنها رجوع نمود. متن این دستورالعمل ها باید تا حد ممکن ساده و مختصر تدوین شده باشد.
پیوست 2 جدول های ابعادی آسانسور
در این قسمت ابعاد پیشنهادی چاه، چاهک، موتورخانه و کابین آسانسور ذکر گردیده است. این جدول مربوط به آسانسورهای ساختمان های دسته اول تا چهارم و آسانسورهای حمل خودرو می باشد.
توضیحات: این جدول ها ابعاد برخی از آسانسورها تا سرعت 2/5 متر بر ثانیه را پیشنهاد می دهد. ابعاد مربوط به سرعت های بالاتر و انواع دیگر آسانسورها باید از شرکت ها و مشاورین صاحب صلاحیت اخذ گردد. سرعت 0/4 متر بر ثانیه فقط برای آسانسورهای هیدرولیک و سرعت های 1/6 و 2/5 متر بر ثانیه فقط برای آسانسورهای کششی الکتریکی به کار می رود.
آسانسورهای 375، 300 و 450 کیلوگرم فقط برای انتقال عادی مسافرین به کار می رود. ظرفیت 600 کیلوگرم برای جابه جایی افراد با صندلی چرخ دار و آسانسور 1000 کیلوگرم در ساختمان های مسکونی و بیمارستان ها برای حمل برانکارد با دسته های قابل جدا شدن کاربرد دارد.
آسانسورهای 1600 و 2000 کیلوگرم برای حمل تخت های بیمارستانی در مراکز بیمارستانی و درمانی به کار می رود و ظرفیت 2500 کیلوگرم برای حمل تخت بیمارستانی به همراه مسافرین و وسایل پزشکی کاربرد دارد.
آسانسورهای کنار هم دارای چاه مشترک
- الف - عرض کل چاه مشترک برابر با مجموع عرض چاه های هر آسانسور به علاوه ضخامت دیواره ها یا سازه های جداکننده است.
- ب - ارتفاع چاهک برابر با ارتفاع سریع ترین آسانسور موجود در چاه مشترک می باشد.
- پ - حداقل ارتفاع کف آخرین توقف تا زیر سقف موتورخانه (بالاسري) برابر با ارتفاع بالاسري برای سریع ترین آسانسور موجود در چاه مشترک می باشد.
پیوست 3 نقشه ها و اطلاعات تکمیلی
مطابق شکل 1 و 2 حداکثر ارتفاع یا مسیر اصلی حرکت در ساختمان ها که به آسانسور نیاز ندارد (محور) 7 متر تعیین شده است این اندازه برای ساختمان های مسکونی از کف طبقه همکف (سطح ورودی یا ورودی پارکینگ) و برای ساختمان های غیر مسکونی از کف زیر زمین محاسبه می شود. بیش از این اندازه نصب آسانسور اجباری است.
توضیحات:
- دسترسی به تأسیسات در طبقه بام و یا در زیرزمین مسیر حرکت اصلی نخواهد بود.
- در صورتی که ساختمان دارای آسانسور باشد در موارد خاص به دلایل فنی حداکثر یک طبقه در مرتفع ترین قسمت ساختمان و یک طبقه در پایین ترین قسمت ساختمان می تواند به آسانسور دسترسی نداشته باشد.
بندهای دارای ارجاع به شکل (تصویر)
- 15 - 2 - 1 - 2 (شکل 1 و 2 پیوست 3)
- 15 - 2 - 2 - 1 - 4 (شکل های 15 - 2 - 2 - 1 - 4 (الف) و (ب))
- 15 - 2 - 2 - 3 - 3 (شکل 15 - 2 - 2 - 3 - 3)
- 15 - 2 - 2 - 9 - 3 (شکل 15 - 2 - 2 - 9 - 3)
- 15 - 3 - 1 - 2 (شکل 15 - 3 - 1 - 2)
- 15 - 3 - 1 - 11 (شکل 15 - 3 - 1 - 11)
- 15 - 3 - 1 - 12 (شکل 15 - 3 - 1 - 12)
- 15 - 3 - 2 - 2 (شکل 15 - 3 - 2 - 2)